MODUL PRO VYBIJENÍ VÍCE BATERIÍ SOUČASNĚ
Vágner Vlastimil
Původní modul vyrobený v roce 2010 byl po zkušenostech z provozu na jaře tohoto roku upraven byli doplněny blokovací rezistory na vstupech CLK,DIN,STR, IO CD4094, ve vyrobené verzi s pasivní zátěží byli doplněny zdířky pro napájení zdroje v terénu z baterie 12VDC.Aby bylo možno co nejdříve testovat baterie pohonů RC modelů po ukončení jízdy nebo létání modelů,současně byl upraven i program pro jeho ovládání.Modul se připojuje na sériový port počítače,je možné ho používat i pro jiné testování baterií než pro RC modely (kamery,fotografické,telefonní přístroje a podobně).V žádném případě si neklade za cíl konkurovat továrním výrobkům může sloužit pro vlastní inspiraci při výrobě podobného zapojení
POPIS MODULU
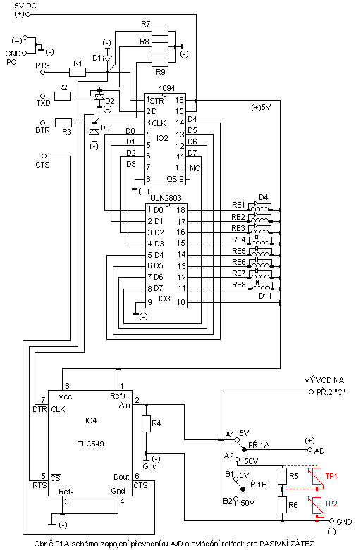
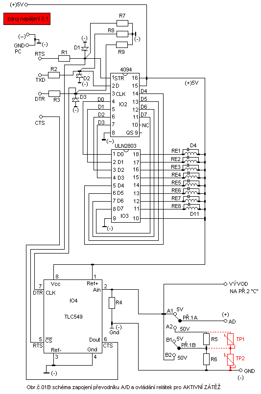
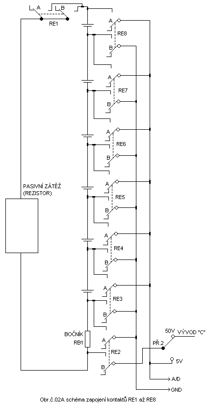
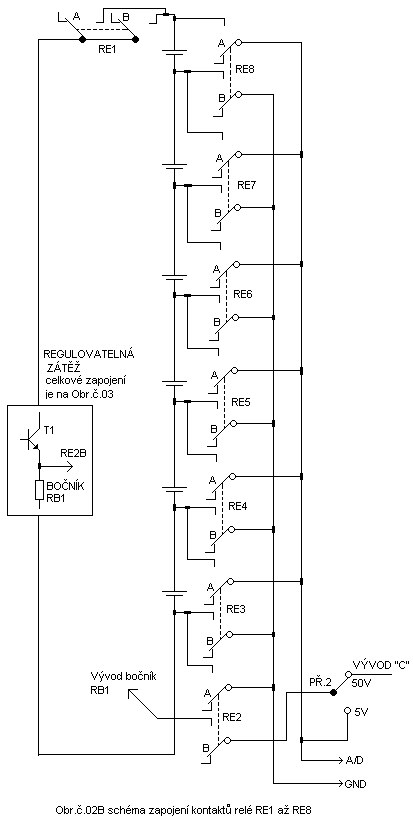
Modul může být vyroben ve variantě s pasivní nebo s regulovanou zátěží.Ti kdož používají stále stejné baterie a napětí jednotlivých článků sestavené baterie NEPŘESÁHNE NAPĚTÍ 5V si mohou vyrobit modul kde nebudou použity přepínače pro volbu napětí a proudu,dále může být na vybíjení použit místo regulovatelné zátěže rezistor,při této volbě zátěže je však modul jednoúčelový pro tuto verzi byl upraven zdroj pro externí napájení 12VDC v terénu.Vybíjené baterie se připojují k modulu pomocí zdířek výroba držáku baterií je čistě individuální věc podle používaných baterií.Osobně při vybíjení proudem do 0.5A používám tovární klec na tužkové baterie která je osazena vývody na jednotlivých bateriích.Pokud je modul vyrobený tak že umožňuje volbu napětí i proudu je možné vybíjet baterie do napětí MAXIMÁLNĚ 50V DC,vybíjecí proud je omezen dle varianty modulu vybíjecím rezistorem jeho wattovou zátěží a wattovou zátěží bočníku použitými relátky (proudem kontaktů).Ve variantě s regulací proudu pak použitým tranzistorem použitými relátky (proudem kontaktů) a wattovou zátěží bočníku.V případě použitých součástek dle schématu je MAXIMÁLNÍ VYBÍJECÍ PROUD 1.5A ten dán proudem kontaktů použitých relátek, tento proud pokud je brán jako 1/10 kapacity článku odpovídá celkové kapacitě článku 15Ah.Napájení modulu je 5V toto napětí je po usměrnění diodovými můstky získáno ze stabilizátorů 7805 na jejich vstupy jsou po úpravě zapojení připojeny i diody ze zdířek pro připojení externího napájení 12VDC z automobilové baterie.Ve variantě kde je použit vybíjecí rezistor je použit transformátorek s jedním sekundárním vinutím ve variantě s regulací proudu je použit transformátorek s dvěmi vynutími a zdroj je dvojitý.Napájecí zdroj je na primární straně chráněn pojistkou,na snímání napětí vybíjené nebo vybíjených baterií a proudu je využit osmibitový A/D převodník TLC549 přepínání relátek a tím i snímání napětí na jednotlivých baterií a celkového vybíjecího proudu je využit osmibitový posuvný registr 4094.Cívky relátek jsou spínány obvodem ULN2803 tento je ovládán výstupy z posuvného registru,rozlišení napětí A/D převodníku je dáno referenčním napětím 5V a je 0.02V,je možné si při vlastní tvorbě programu provést úpravu na rozlišení 0.01V tím že referenční napětí zvolíme 2.5V.Na bočník pro snímání proudu je použit rezistor 1R/17W tím je dán úbytek napětí který je roven vybíjecímu proudu,snímané napětí na bočníku je na vstup A/D převodníku připojeno přes přepínač PŘ.2 tento přepínáme dle vstupního napětí vybíjených baterií přepínáme do polohy 5V nebo 50V z toho přepínače je naměřené napětí na bočníku připojeno přímo na vstup A/D převodníku pokud je sepnuto relé RE2.Snímané napětí je z relátek RE3 až RE8 vedeno na přepínač PŘ.1 kde volíme rozsah napětí 5V nebo 50V dle vybíjených baterií počet baterií může být od jedné až po celkový počet šesti baterií pokud je vybíjeno méně jak šest baterií je nutné z poslední zdířky kde je připojena poslední vybíjená baterie provést propojení na poslední zdířku,tím je zaručeno to že je uzavřen vybíjecí okruh a relé RE1 po sepnutí provede připojení podle varianty buď vybíjecí rezistor nebo tranzistor pokud je použito varianty regulace proudu.Pokud by se toto propojení neprovedlo budeme pouze měřit baterie a nebudeme vybíjet ze zapojení to je zřejmé.Vybíjecí část je tvořena samostatným napájením potenciometrem a tranzistorem společně s bočníkem tento slouží zároveň jako vybíjecí rezistor.Bočník na měření napětí vyššího jak 5V je tvořen napěťovým děličem R5,R6 místo těchto rezistorů je možné použít víceotáčkové trimry a nastavit tím hodnoty přesně,zvolené hodnoty R5,R6 nijak nezatěžují testované baterie.Schéma zapojení modulu s pasivním vybíjením (rezistorem)je na obrázcích Obr.č.01A , Obr.č.02A , Obr.č.04A,zapojení modulu s nastavitelným proudem je na obrázcích Obr.č.01B , Obr.č.02B , Obr.č.03 , Obr.č.04B.
VYBÍJENÍ ČLÁNKŮ
MODULEM
Po spuštění programu viz dále v popisu k programům nastavíme proud po jehož nastavení zadáme další parametry.Po jejich zadání program sepne relé RE1 toto relé uzavírá vybíjecí okruh a je stejný pro obě varianty,po zadané době mezi odečty napětí program provede sepnutí relé RE2 což je relé které snímá úbytek napětí na bočníku tato hodnota se zobrazí JAKO PRVNÍ HODNOTA NA MONITORU(tato hodnota je hodnota proudu „ A „),poté program provede postupné sepnutí relátek tento počet je dán počtem vybíjených článků a naměřené hodnoty napětí článků zobrazuje za hodnotu proudu,měřené napětí na jednotlivých článcích je měřeno při připojené zátěži.Po posledním odečtu napětí článku program tyto samé hodnoty uloží do souboru zde jsou již hodnoty zapsány bez znamének A a V, jsou uloženy ve stejném pořadí tak jak byli zobrazeny na monitoru.Pokud napětí některé baterie dosáhlo zadané hodnoty program dále již neodečítá další články ale provede zápis do souboru u tohoto článku a ukončí se,to znamená že pokud je vybíjeno například pět článků a u třetího článku došlo k poklesu napětí na zadanou nebo nižší hodnotu je to ten poslední co je zapsaný v souboru A PRVNÍ NEJSLABŠÍ ČLÁNEK V SESTAVĚ.Takto vlastně vyřazujeme články až k těm nejsilnějším článků a tyto pak použijeme v sestavě,nebo pouze zjistíme stav používaných článků.Soubor do kterého program zapisuje je předvolený a program si ho sám vytvoří a další měření zapisuje pod již naměřené hodnoty v zápisu je uvedeno o jaké měření šlo tj.zda do 5V nebo do 10V(50V),začátek vybíjení a konec vybíjení.V případě že vybíjení je ukončeno dříve je toto zapsáno do souboru jako informace ukončeno ručně,název souboru je NAMERENO.TXT hodnoty se dají dále zpracovat například do grafu a podobně pouze se musí upravit například pro EXEL zaměnit tečku za čárku a podobně dle použitého programu co je použit na další zpracování.Program TLC5V a TLC10V provádí spínání relátek od relé RE1 AŽ DO RE8 relé RE1 spíná vybíjecí okruh,RE2 po sepnutí umožní odečet proudu jak je uvedeno výše,RE3 až RE8 umožňují odečet napětí na testovaných článcích.
PROGRAMY
K MODULU
Programy jsou uloženy v adresáři který je ve stejném adresáři jako tento popis,programy mají názvy TLC5V a TLC10V.Jsou odladěny v Turbo Pascalu důvod je prostý na ovládání modulu je HLAVNĚ POUŽITO STARŠÍHO POČÍTAČE kde je operační systém DOS.To sice neznamená že nejdou spustit i na počítačích kde je operační systém Windows od verze 95,98 až po verzi Windows 2000,XP,NT pouze uvedené verze Windows od 2000 MUSÍ BÝT NAINSTALOVÁNY JAKO 32-BITOVÉ v tomto případě jdou uvedené programy TLC5V a TCL10V spustit pouze z příkazové řádky.Používám jak uvedený starší počítač tak i počítač notebook s procesorem 2.7Ghz.Pokud je použit operační systém instalovaný jako 64-BITOVÝ TAK PROGRAMY NEJDOU SPUSTIT A JE JEDINÁ MOŽNOST SI NAPSAT VLASTNÍ PROGRAM POD TUTO NAINSTALOVANOU VERZI.
Program TLC5V : tento program je určený k vybíjení článků jejichž napětí je maximálně do 5V !,po spuštění programu volíme port kde je připojený modul ten volíme stiskem klávesy <1> tím volíme sériový port com1,<2> volíme sériový port com2 atd.Po volbě portu nastavíme vybíjecí proud ten nastavujeme potenciometrem.Po nastavení vybíjecího proudu stiskneme klávesu mezerník a zadáme vypínací napětí tj. napětí při kterém dojde k ukončení vybíjení testované baterie(sestavy více baterií) po zadání stiskneme klávesu ENTER,dále zadáme dobu po jaké se budou jak zobrazovat na monitoru tak i ukládat naměřené hodnoty do souboru tento má název NAMERENO.TXT a program si ho sám vytvoří,hodnotu doby odečtu zadáváme ve vteřinách to znamená pokud chceme odečítat po pěti minutách zadáme hodnotu 5 * 60 = 300.Po tomto zadání stiskneme ENTER,jako poslední zadáme počet baterií zde zadáme hodnotu od 1 do 6 a stiskneme klávesu ENTER.Po tomto posledním zadání se na monitoru zobrazí informace že první naměřené hodnoty se zobrazí po zadané době odečtu,po zadané době se jako první zleva doprava zobrazí hodnota proudu a poté hodnoty napětí na článcích.Takto se postupně zobrazují naměřené hodnoty na monitoru vždy pod sebou,pokud dojde k poklesu napětí článku na zadanou hodnotu je v souboru tento zápis jako poslední.Pokud mezi odečty dojde ke stisku klávesy ESC program provede odečet a ukončí se.
Program TLC10V : tento program je určený k vybíjení článků jejichž napětí je vyšší jak 5V a maximálně do 50V !,po spuštění programu volíme port kde je připojený modul ten volíme stiskem klávesy <1> tím volíme sériový port com1,<2> volíme sériový port com2 atd.Po volbě portu nastavíme vybíjecí proud ten nastavujeme potenciometrem.Po nastavení vybíjecího proudu stiskneme klávesu mezerník a zadáme vypínací napětí tj. napětí při kterém dojde k ukončení vybíjení testované baterie po zadání stiskneme klávesu ENTER,dále zadáme dobu po jaké se budou jak zobrazovat na monitoru tak i ukládat naměřené hodnoty do souboru tento má název NAMERENO.TXT a program si ho sám vytvoří,hodnotu doby odečtu zadáváme ve vteřinách to znamená pokud chceme odečítat po pěti minutách zadáme hodnotu 5 * 60 = 300.Po tomto zadání stiskneme ENTER,jako poslední zadáme počet baterií zde zadáme hodnotu od 1 do 6 a stiskneme klávesu ENTER.Po tomto posledním zadání se na monitoru zobrazí informace že první naměřené hodnoty se zobrazí po zadané době odečtu,po zadané době se jako první zleva doprava zobrazí hodnota proudu a poté hodnoty napětí na článcích.Takto se postupně zobrazují naměřené hodnoty na monitoru vždy pod sebou,pokud dojde k poklesu napětí článku na zadanou hodnotu je v souboru tento zápis jako poslední. Pokud mezi odečty dojde ke stisku klávesy ESC program provede odečet a ukončí se.
UPOZORNĚNÍ
POKUD NENÍ PŘIPOJEN MODUL K PC PROGRAM SE PO ZADÁNÍ PARAMETRŮ A PRVNÍM
ODEČTU UKONČÍ,TOTO JE DÁNO TÍM ŽE NAMĚŘENÉ NAPĚTÍ JE 0.00V.
POSTUP
PŘIPOJENÍ MODULU A SPUŠTĚNÍ
Propojíme modul s počítačem ,dále
připojíme modul na síť v případě že sepnou relátka není toto na závadu,nyní spustíme program TLC5V nebo TLC10V po volbě portu POKUD
PO PŘIPOJENÍ NAPÁJECÍHO NAPĚTÍ NA MODUL SEPNULA RELÁTKA,MUSÍ RELÁTKA ODPADNOUT.Potenciometr
musí být vytočený do polohy co nejmenší proud.NYNÍ PROVEDEME připojení
vybíjených baterií po připojení baterií nastavíme vybíjecí proud a postupujeme
dále dle návodu k programům.Tento postup je
důležité dodržet!!!!!
SEZNAM
SOUČÁSTEK ZDROJ JEDNODUCHÝ
1 * pojistkový držák , transformátor220V/ 6-10V 5VA, diodový můstek , C1,C2 ….100nF keramika , C3…elektrolytický kondenzátor 2200uF/16V, stabilizátor IO1 ….7805 .zdířka červená 1Ks,
zdířka černá 1Ks.
SEZNAM
SOUČÁSTEK ZDROJ DVOJITÝ
1 * pojistkový držák , transformátor220V/ 2 * 6-10V 5VA, 2 * diodový můstek ,
C1,C2,C4,C5 ….100nF keramika , C3,C6…elektrolytický kondenzátor 2200uF/16V, stabilizátor IO1, IO2 ….7805 .
SEZNAM
SOUČÁSTEK VYBIJENÍ
D12…1N4007 , R7….68R , P1….10K , T1….BD119 + chladič, BOČNÍK RB01….1R/17W (drátový rezistor),
SEZNAM
SOUČÁSTEK ŘÍDÍCÍ DESKA
D1,D2,D3…..ZENERKY 4V7 , D4 – D11, …1N4007(použity pokud nebude použit ULN2803 a budou použity klasické tranzistory jako spínače relátek), R1,R2,R3…..10K , R4….200K , R5….27K , R6…3K , R7,R8,R9…68K , TP1….50K , TP2…10K ,(TRIMRY VÍCE OTÁČKOVÉ) MOŽNOST POUŽITÍ MÍSTO REZISTORŮ R5,R6. , PŘEPÍNAČ PŘ.1…. DVOJITÝ , PŘEPÍNAČ PŘ.2….JEDNODUCHÝ ,
IO2….4094 , IO3….ULN2803 , IO4…..TLC549 , + PATICE PRO VŠECHNY IO, RELÉ RE1 – RE8 ….CÍVKA 5V 2 * PŘEPÍNACÍ KONTAKT PROUD 1.2A MINIMÁLNĚ . 1 KS ZDÍŘKA ČERNÁ , 6 KS ZDÍŘKA ČERVENÁ , konektor propojení modulu / počítač + kabel na propojení počítače s modulem pětižilový.
OŽIVENÍ MODULU
Po osazení DPS desku omyjeme lihem,integrované obvody 4094,ULN2803,TLC549 na řídící desce NEOSAZUJEME,připojíme napájecí napětí ze zdroje a na paticích uvedených IO v místech napájení změříme napětí zda je 5V.Pokud je napětí v pořádku odpojíme napětí od modulu osadíme IO 4094 a ULN2803 do patic propojíme modul s počítačem připojíme napájecí napětí na modul nyní spustíme program TLC5V až k nastavení proudu ten nenastavujeme a stiskneme mezerník nyní změříme odběr proudu modulu.Pokud je vše v pořádku zadáme parametry do programu a čas odečtu dáme do 10 vteřin a počkáme až se program ukončí nyní pomocí DMM na výstupech 4094 D0 až D7 nesmíme naměřit +5V,pokud je vše v pořádku odpojíme napájecí napětí od modulu společně s kabelem od PC.Osadíme do patice TLC549 propojíme kabel s PC přepínač PŘ.1 a PŘ.2 přepneme na rozsah 5V připojíme napájecí napětí spustíme program až k bodu nastavení proudu a poté připojíme jeden nebo několik článků k modulu POZOR NEPŘIPOJUJEME PROPOJ OD POSLEDNÍHO PŘIPOJENÉHO ČLÁNKU DO POSLEDNÍ ZDÍŘKY,PROUD NENASTAVUJEME stiskneme klávesu mezerník a zadáme zbývající hodnoty u hodnoty kdy má program vypnout zadáme vyšší hodnotu aby nedošlo k vypnutí programem jako dobu odečtu opět zadáme deset vteřin a na monitoru se musí po zadané době začít zobrazovat hodnoty napětí připojených článků.pokud nyní mezi odečtem stiskneme klávesu ESC program se před odečtem ukončí stejné naměřené hodnoty musí být i v souboru NAMERENO.TXT.Tím je oživování ukončeno a můžeme tento postup zopakovat s propojkou od posledního připojeného článku do poslední zdířky pokud máme možnost připojit regulovatelný zdroj snížíme hodnotu napětí pod nastavenou a program se musí ukončit.








Hotový modul
Bližší informace :